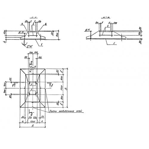
Ф3

Чертеж изделия:
Характеристики изделия:
ПараметрЗначение
длина2700 мм
ширина4200 мм
высота900 мм
вес12980 кг
серия0-221-84

Ф3 Плита фундаментная по серии 0-221-84.