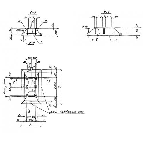
Ф4

Чертеж изделия:
Характеристики изделия:
ПараметрЗначение
длина2100 мм
ширина3600 мм
высота800 мм
вес9200 кг
серия0-221-84

Ф4 Плиты фундаментные по серии 0-221-84.