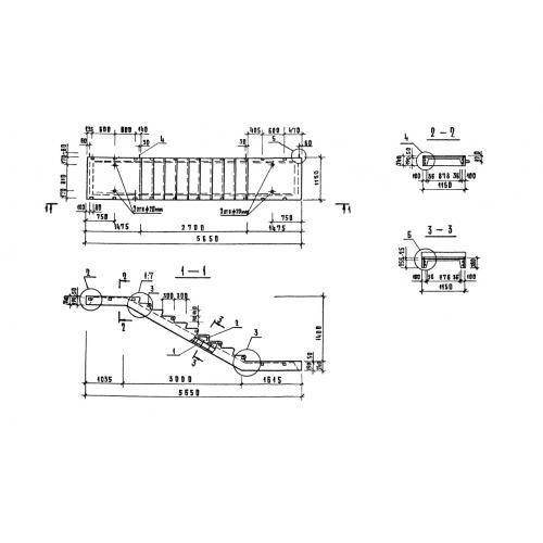
ЛМ 57.14.14

Чертеж изделия:
Характеристики изделия:
ПараметрЗначение
длина5650 мм
ширина1150 мм
высота1400 мм
масса2150 кг
нормативный документСерия 1.020-1

ЛМ 57.14.14  Лестничные марши Серия 1.020-1.