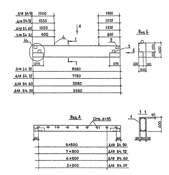
Б 4.72

Чертеж изделия:
Характеристики изделия:
ПараметрЗначение
длина7180 мм
ширина300 мм
высота400 мм
масса2100 кг
нормативный документСерия 1.020.1-2с/89

Б 4.72  Балки окаймляющие Серия 1.020.1-2с/89.