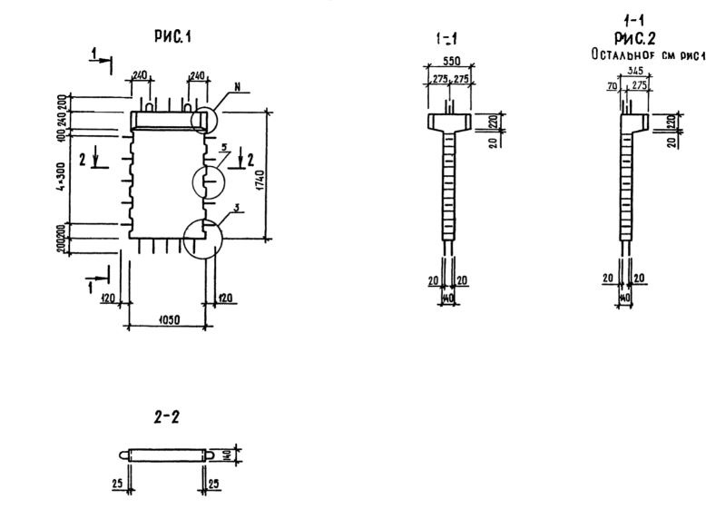
1Д 11.17

Чертеж изделия:
Характеристики изделия:
ПараметрЗначение
длина1290 мм
ширина345 мм
высота2140 мм
масса770 кг
нормативный документСерия 1.020.1-3пв

1Д 11.17  Диафрагмы жесткости с одной полкой Серия 1.020.1-3пв.