4КД 3.(28)33

Чертеж изделия:
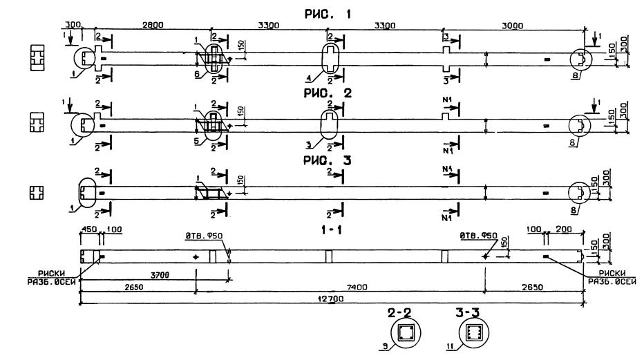
Характеристики изделия:
ПараметрЗначение
длина12700 мм
ширина300 мм
высота600 мм
масса3220  кг
нормативный документСерия 1.020.1-3пв

4КД 3.(28)33  Колонны двухконсольные Серия 1.020.1-3пв.