5КН 28.37-1.1-сп

Чертеж изделия:
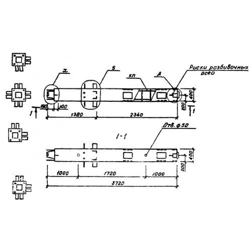
Характеристики изделия:
ПараметрЗначение
длина3720 мм
ширина400 мм
высота400 мм
масса1425 кг
нормативный документСерия 1.020.1-6сп

Колонны нижние (Серия 1.020.1-6сп).

5КН 28.37-1.1-сп             5КН 28.37-2.1-сп                 5КН 28.37-4.1-сп                   5КН 28.37-5.1-сп

5КН 28.37-1.1-спн           5КН 28.37-2.1-спн               5КН 28.37-4.1-спн                 5КН 28.37-5.1-спн

5КН 28.37-1.2-сп             5КН 28.37-2.2-сп                 5КН 28.37-4.2-сп                    5КН 28.37-5.2-сп

5КН 28.37-1.2-спн           5КН 28.37-2.2-спн               5КН 28.37-4.2-спн                  5КН 28.37-5.2-спн

5КН 28.37-1.3-сп             5КН 28.37-2.3-сп                 5КН 28.37-4.3-сп                    5КН 28.37-5.3-сп

5КН 28.37-1.3-спн           5КН 28.37-2.3-спн               5КН 28.37-4.3-спн                  5КН 28.37-5.3-спн

                                         

Маркировка колонны:

1. 5 тип изделия в плане (2 по внутренним осям с жесткими рамными узлами, 3 по наружным осям, 5 и 5 с индексом н в конце маркировки угловые);

2. КН тип конструкции колонна нижняя;

3. 28 высота технического подполья или подвала, в дм;

4. 37 длина колонны в дм;

5. 1 индекс несущей способности  ( 1,2,4,5);

6. 1 количество выпусков (1 по 2 в обоих направлениях, 2 4 в продольном и 2 в поперечном направлении, 3 по 4 в обоих направлениях);

7. сп - изделие разработано для сейсмических районов на просадочных грунтах.

Индекс «н» в конце маркировки означает зеркальное отображение колонны.