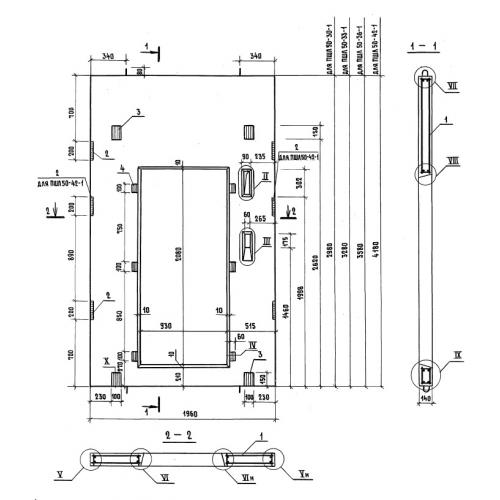
ПШЛ 50-42
Характеристики изделия:
| Параметр | Значение |
|---|---|
| длина | 1960 мм |
| ширина | 140 мм |
| высота | 4180 мм |
| вес | 2150 кг |
| серия | 1.089.1-2 |
Цена:
Рассчитать стоимостьПШЛ 50-42 Панель шахты для пассажирского лифта по серии 1.089.1-2.
| Параметр | Значение |
|---|---|
| длина | 1960 мм |
| ширина | 140 мм |
| высота | 4180 мм |
| вес | 2150 кг |
| серия | 1.089.1-2 |
ПШЛ 50-42 Панель шахты для пассажирского лифта по серии 1.089.1-2.
