НЦ 28.22.30

Чертеж изделия:
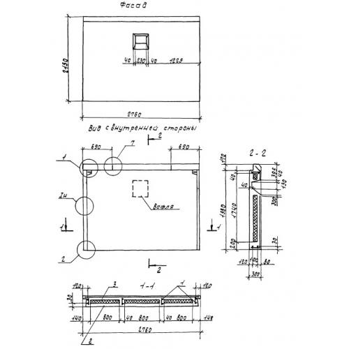
Характеристики изделия:
ПараметрЗначение
длина2760 мм
ширина300 мм
высота2150 мм
вес2990 кг
серия1.100.1-7

НЦ 28.22.30 Наружная цокольная стеновая панель по серии 1.100.1-7.