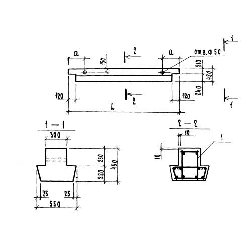
3БР 34.5.4

Чертеж изделия:
Характеристики изделия:
ПараметрЗначение
длина3360 мм
ширина550 мм
высота450 мм
вес1520 кг
серия1.111.1-5

3БР 34.5.4 Балки ростверков по серии 1.111.1-5.