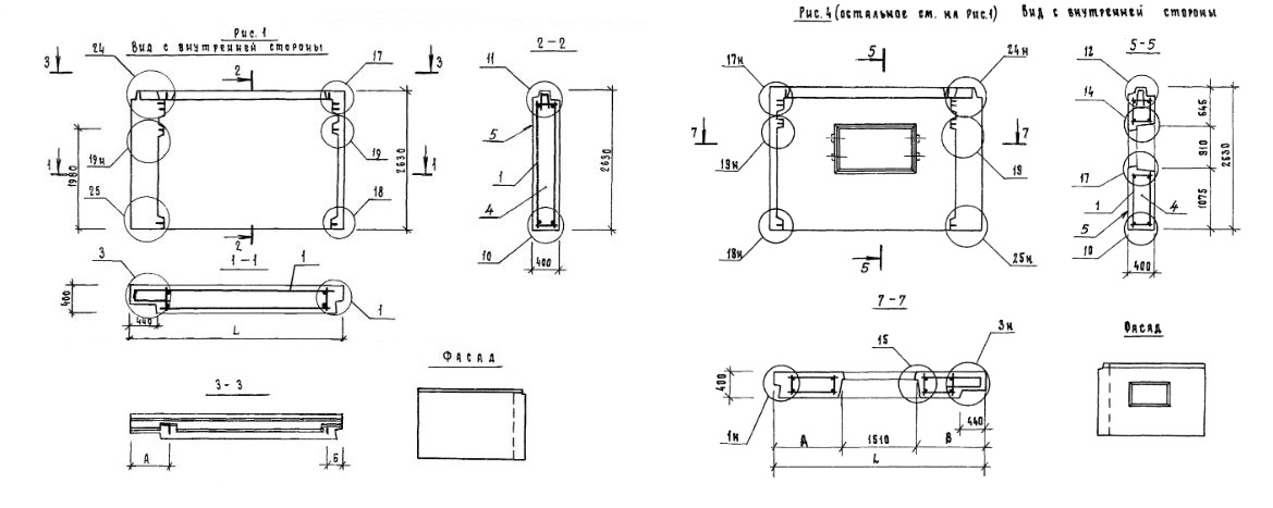
5ПСН 33.26.40-1п-2л

Чертеж изделия:
Характеристики изделия:
ПараметрЗначение
длина3295 мм
ширина400 мм
высота2630 мм
масса3363 кг
нормативный документСерия 1.117.1-19

Серия 1.117.1-19   Панели наружные стеновые толщиной 400 мм.

5ПСН 33.26.40-1п-2л  (рис.4)

1...9 группа изделия, зависит от планировочной ситуации (7 групп);

ПСН панель стеновая наружная; 

Габариты изделия (записаны через точку с округлением): длина и высота - в дм, толщина - в см;

1 или 2 - несущая способность, зависящая от марки бетона (1 М50, 2 - М75);

п-1 или п-2 группа, характеризующая наличие проема (1 глухая, 2 с оконным проемом).