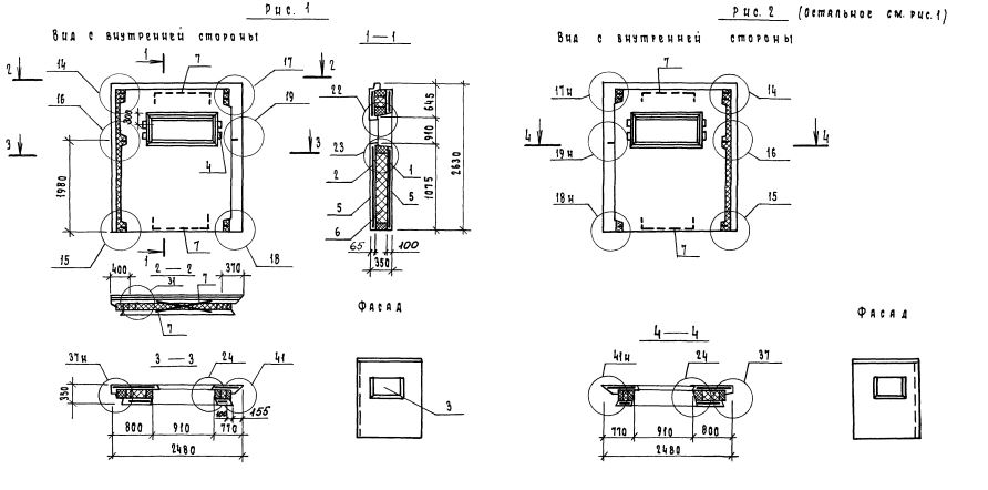
9ПСТ 25.26.35-т-2

Чертеж изделия:
Характеристики изделия:
ПараметрЗначение
длина2480 мм
ширина350 мм
высота2630 мм
масса2380 кг
нормативный документСерия 1.117.1-21

Серия 1.117.1-21   Трехслойная стеновая панель  толщиной 350 мм.

9ПСТ 25.26.35-т-2  (рис.1)

1...9 - Группа панелей по их местоположению в плане здания.

ПСТ - тип конструкции, трехслойная стеновая панель;

Габариты изделия: длина и высота, указывается в дециметрах; толщина -  в сантиметрах.

т - тяжелый бетон;

1 (2) - характер проемов (панель без проемов - 1, панель с окном - 2).

В маркировке могут быть дополнительно прописаны индексы «1» - указывает на наличие закладных деталей; «л» - левое исполнение.