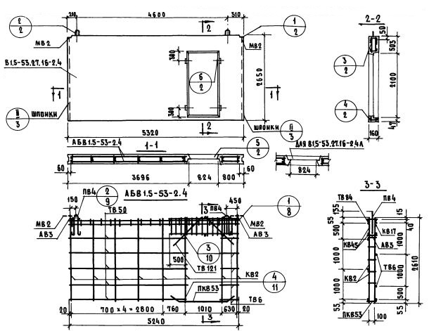
В1.5-53.27.16-2.4л

Чертеж изделия:
Характеристики изделия:
ПараметрЗначение
длина5320 мм
ширина160 мм
высота2650 мм
масса4930 кг
нормативный документСерия 1.131-1

В1.5-53.27.16-2.4л    Внутренние стеновые панели   (Серия 1.131-1).