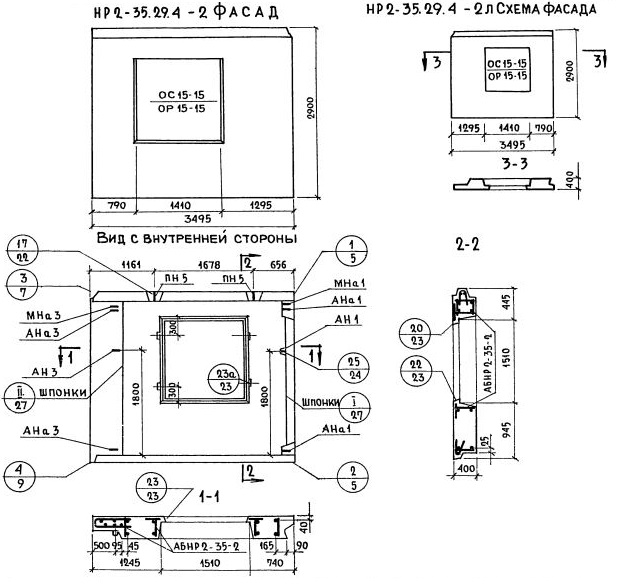
НР2-35.29.4-2л

Чертеж изделия:
Характеристики изделия:
ПараметрЗначение
Длина3495 мм
Ширина400 мм
Высота2900 мм
Масса4060 кг
Нормативный документСерия 1.132-1

НР2-35.29.4-2л   Наружная стеновая панель рядовая по Серии 1.132-1.