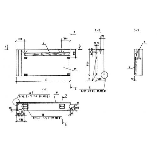
5БНУ 19.9.40

Чертеж изделия:
Характеристики изделия:
ПараметрЗначение
длина1880 мм
ширина380 мм
высота900 мм
вес780 кг
серия1.133.1-7

5БНУ 19.9.40 Блоки парапетные угловые по серии 1.133.1-7.