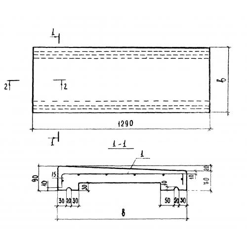
ПП 13.6

Чертеж изделия:
Характеристики изделия:
ПараметрЗначение
длина1290 мм
ширина600 мм
высота70 мм
масса120 кг
нормативный документСерия 1.238-1

ПП 13.6  Плиты парапетные Серия 1.238-1.