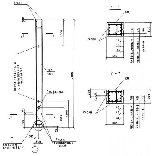
4К 96 колонны

Чертеж изделия:
Характеристики изделия:
ПараметрЗначение
длина10500 мм
ширина500 мм
высота600 мм
масса7900 кг
нормативный документСерия 1.423.1-3/88

4К 96  Колонны Серия 1.423.1-3/88.