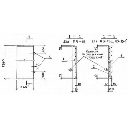
П 9

Чертеж изделия:
Характеристики изделия:
ПараметрЗначение
длина2990 мм
ширина1160 мм
высота120 мм
вес1040 кг
серия3.006-2

П 9 Плиты перекрытия лотков по серии 3.006-2.