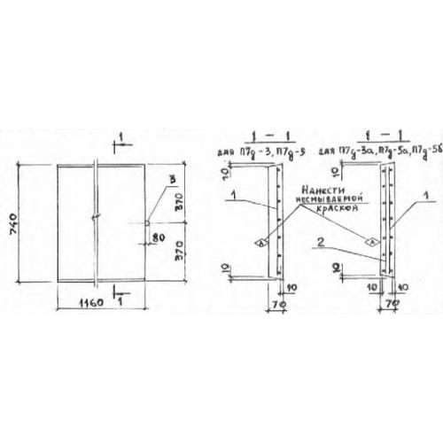
П 7 д

Чертеж изделия:
Характеристики изделия:
ПараметрЗначение
длина740 мм
ширина1160 мм
высота70 мм
масса150 кг
нормативный документСерия 3.006.1-2/82

П 7 д Плиты перекрытия лотков  доборные Серия 3.006.1-2/82.