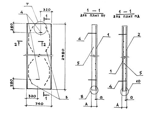
ПТ 75.300.25 плиты лотков

Чертеж изделия:
Характеристики изделия:
ПараметрЗначение
длина740 мм
ширина2980 мм
высота250 мм
масса13870 кг
нормативный документСерия 3.006.1-8

ПТ 75.300.25  Плиты перекрытий каналов Серия 3.006.1-8.