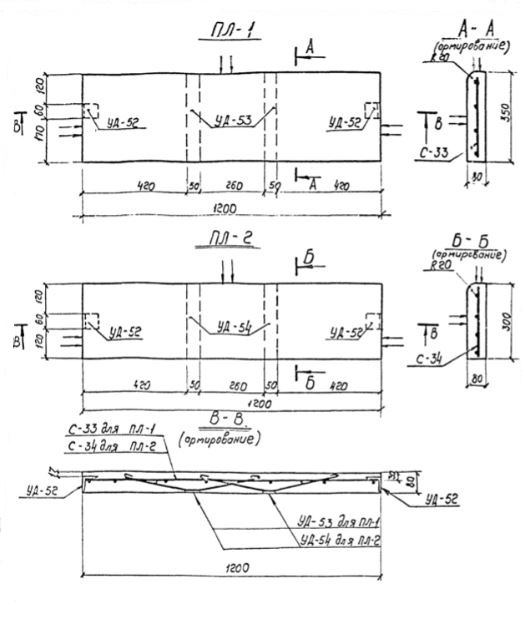
ПЛ-1 ступени

Чертеж изделия:
Характеристики изделия:
ПараметрЗначение
длина1200 мм
ширина350 мм
высота80 мм
масса85 кг
нормативный документСерия 3.407-102

ПЛ-1  Ступени Серия 3.407-102.