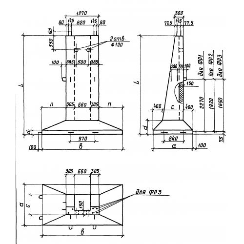
ФР 3

Чертеж изделия:
Характеристики изделия:
ПараметрЗначение
длина3810 мм
ширина1800 мм
высота4000 мм
вес9800 кг
серия3.501.1-153

ФР 3 Фундаменты  раздельные по серии 3.501.1-153.