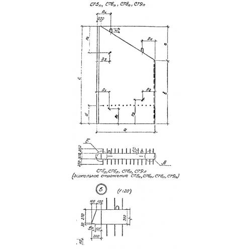
СТ 8 стенка

Чертеж изделия:
Характеристики изделия:
ПараметрЗначение
длина3080 мм
ширина4450 мм
высота300 мм
масса8200 кг
нормативный документСерия 3.501.1-179.94

СТ 8 Откосные стенки по Серии 3.501.1-179.94.