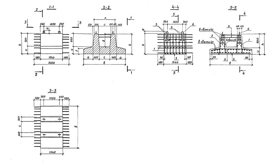
ФП-1

Чертеж изделия:
Характеристики изделия:
ПараметрЗначение
длина2500 мм
ширина5500 мм
высота1720 мм
масса15900 кг
нормативный документСерия 3.503.1-57

ФП-1  Блоки фундамента Серия 3.503.1-57.