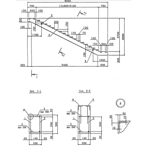
КЛ 655.270 Косоур лестничных сходов

Чертеж изделия:
Характеристики изделия:
ПараметрЗначение
длина6550 мм
ширина2700 мм
высота200 мм
вес1300 кг
нормативный документСерия 3.503.1-96

КЛ 655.270 Косоуры лестничных сходов по Серии 3.503.1-96.