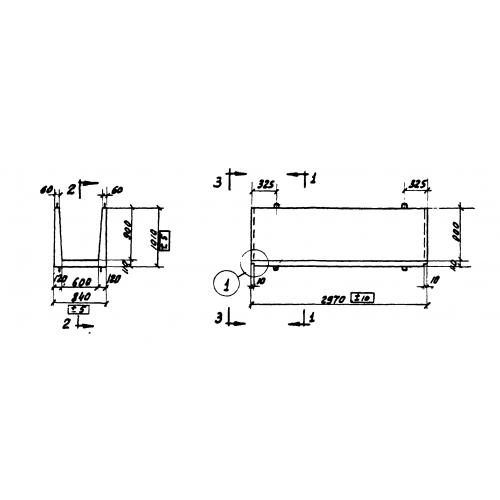
ЛП 6-30

Чертеж изделия:
Характеристики изделия:
ПараметрЗначение
длина2970 мм
ширина840 мм
высота1010 мм
вес1900 кг
серия3.900-2

ЛП 6-30 Элементы прямоугольных лотков  по серии 3.900-2.