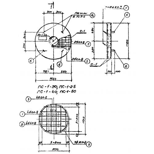
ПС 1

Чертеж изделия:
Характеристики изделия:
ПараметрЗначение
длина1160 мм
ширина1160 мм
высота150 мм
масса383 кг
нормативный документСерия 4.902-3

ПС 1 Плиты по Серии 4.902-3.