ПЛХ-8

Чертеж изделия:
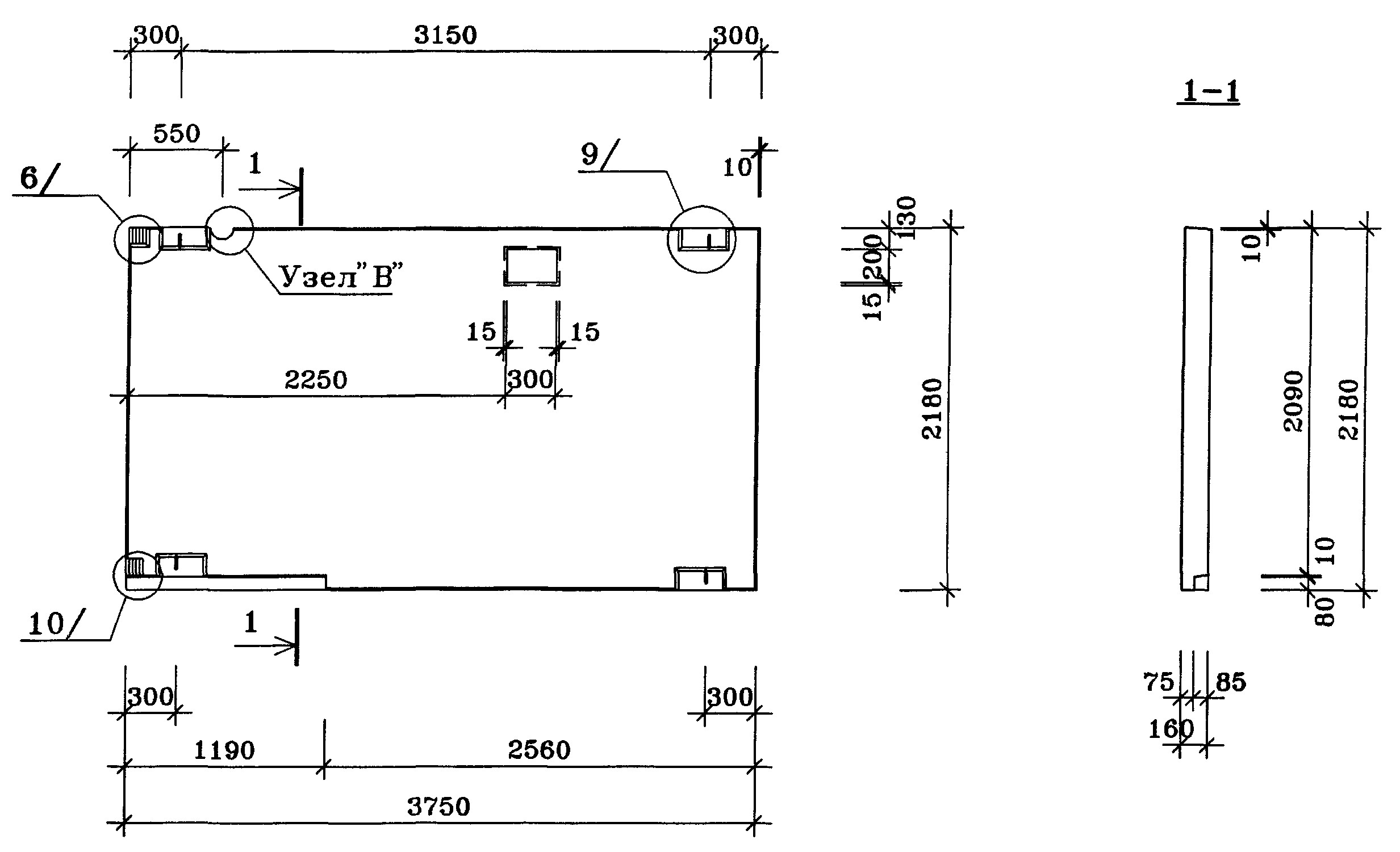
Характеристики изделия:
ПараметрЗначение
Длина L3750 мм
Ширина В2180 мм
Высота Н160 мм
Вес2715 кг
СерияИЖ 4.2-1
Норма погрузки на машину (20тн)7 шт
Вагонная норма погрузки-

Плита лифтового холла ПЛХ-8 изготавливаются по чертежам серии ИЖ 4.2-1 и предназначены для возведения лестниц при строительстве жилых зданий с высотой потолка 3 метра.